
By
BIGLOBE

By
無節操になんか作る。

By
ameblo.jp

By
アットウィキ (@WIKI)

By
アットウィキ (@WIKI)

By
無節操になんか作る。

By
アットウィキ (@WIKI)

By
モトメカニックのブログ

By
無節操になんか作る。

By
無節操になんか作る。

By
アットウィキ (@WIKI)

By
金属遊び研究会 fisherman RYO

By
FLAT4 ONLINE SHOP - FLAT4 ONLINE SHOP

By
蒼天航路

By
ameblo.jp

By
ameblo.jp

By
ameblo.jp

By
ハイエース4人家族で車中泊〜ナローボディでも快適なバンライフを〜 - はてなブログ

By
金属遊び研究会 fisherman RYO

By
岩下モータース
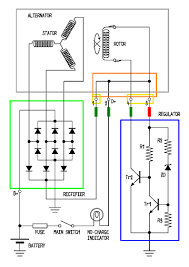
オルタネーター 配線オルタネーター 方法オルタネーター チャージランプがぼんやり灯る(オルタネーター修理)オルタネーター -オルタネーター fiat500-onlinemanualオルタネーター @オルタネーター ウィキオルタネーター -オルタネーター atwiki(アットウィキ)オルタネーター 自動車の発電系とか電圧/電流計とかオルタネーター --オルタネーター その4:オルタネーター 無節操になんか作る。オルタネーター 完全保存版オルタネーター 】安心感のススメ!プレジャーボートにはサブバッテリーを増設しましょうオルタネーター -オルタネーター 金属遊び研究会オルタネーター fisherman